"I don't see another way out of this state... if somebody doesn't take the risk to begin the synthesis of facts and theories, although our knowledge in some areas is not complete and it is received at second hand, and although we are exposed to the danger of appearing ignoramuses. "
The discovery of cold nuclear fusion by Pons-Fleischmann's 1989 experiment is developing mainly in the conventional fusion direction. This fallacy is similar to the old erroneous view of the nature of star power. Russian astronomer Prof. N. Kozyrev proved that there are no conditions for thermonuclear fusion process in the matter of stars and the star doesn't lose any mass when it emits heat. According to Kozyrev, the star is "a machine that produces energy from the flow of time," or in other words, it is a transformer of free energy from time-form (chronal) to electromagnetic waves (heat). The thermonuclear products are only secondary effects of this process. N. Kozyrev calculated a 'optimal condition" for star matter also.
On the other hand, Dr. Puthoff shows that matter exist thanks
to energy exchange with vacuum
electromagnetic field zero-point fluctuations (ZPF). Note the analogy
between Kozyrev's and Puthoff's ideas to make a conclusion for Pons-Fleischmann's
experiment: the fact of nuclear fusion in this kind of cold fusion experiment
is not the primary reason of over-unity effect.
In general form, here is the explanation for the cathode and anode immersed in heavy water. The cathode is a metal that can absorb hydrogen ions (protons) from water when a potential source is connected to the electrodes. The density of this type of "proton plasma" inside the cathode is equal to 1028 1/m3 that is more than the 1020 1/m3 density in hot-fusion Tokamak system. By this reason, most of the investigators adopt the idea of Pons-Fleischmann experiment producing cold nuclear fusion. But this fusion is not the cause of over-unity heat emission.
The immediate solution between the cold fusion idea and free energy idea is the transmutation concept. Randell Mills, Pennsylvania, U.S.A., reported that it is possible to observe the transmutation of Ka-39 plus proton to Ca-40 or Na-23 to Mg-24. The same approach is described by C.L. Kervran. But transmutation is only an example of the utilization of "transition energy" that is emitted when any matter changes its form.
According to Dr. Puthoff, "the ground state of the hydrogen atom is defined by a dynamic equilibrium in which collapse of the state is prevented by the presence of ZPF of electromagnetic field... the stability of matter itself is largely mediated by ZPF phenomena..." Now we have the next: two atoms create new atom (fusion), atom can change form (transmutation), hydrogen atom also can take part in fusion or transmutation, but this simplest atom can directly take energy from ZPF when the danger of the collapse of the state exists.
In a normal situation the heat emission of the ground state hydrogen atom is minimal since the atom is a very economical, highly effective system. Note that any matter (electron, proton, atom) uses free energy source ZPF of vacuum in the process of existence, but it is normally a quiet type of energy exchange. The heat emission or "temperature" of matter is directly connected with the tempo of flow of time.
The solution seems to be a paradox: we must disturb the atom out of optimal resonance stable state. In other words, we must increase the entropy in the atom. According to N.Koryrev, the flow of time will try to counteract the entropy" in some limits, but if we use too strong motive for disturbance, the atom will change its state.
2. Version of T.E. Bearden's Concept for Hydrolysis Scheme
The main element in Pons-Fleischmann's scheme is a cathode that can absorb the protons. Fig. 1 shows an ordinary hydrolysis version. Note that current is necessary for water dissociation to hydrogen and oxygen and we must use power from primary source
Fig.1
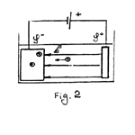
In P-F version, the scheme has an interesting difference. The electric
field between the cathode and anode provides work to separate charged
particles. But when the proton is formed at the cathode it goes into cathode.
Since the electric field inside of the metal cathode is equal to zero,
there is no longer any current. Fig. 2 shows that the primary source is
potential source but not a power source.
Fig.2
This situation continues until the cathode is saturated, and then we
can observe ordinary current as in Fig. 1. By analogy with Bearden's concept
that is described in "The Final Secret of Free Energy," it is possible
to create pulsed mode. Fig. 3 shows the scheme of a device that uses switch
S. In this
state of switch, the primary source is disconnected and load R is connected
to electrodes. The electric current flows from electrode C to electrode
A that means electrons move from A area to electrode C through load R,
since protons cannot move in wire.
Fig.3
When this "restoration period" is finished, it is necessary to switch
S and connect electrodes to
primary source. The momentum of new switching is defined by period
of cathode saturation.
